深圳市雷尚光电有限公司
13430625558
网站首页
关于我们
产品中心
XP15两边缺
XP29
XML29
3030-20
3030系列
5050系列
5052系列
D17-18.5
D20
D20-21.3
D29H15.8-XPE
XP14.5带柱子
XP15.8
防水盖系列
仿流明透镜系列
高杯系列
各直径带柱子系列
六合一系列
手机透镜系列
四边形系列
直卡灯珠系列
珠面 条纹D17
珠面 条纹D20
新闻资讯
公司新闻
行业动态
荣誉资质
公司展示
常见问题
联系我们
P
PRODUCTS
产品中心
XP14高杯
XP15高杯
XP17高杯
XP18.5高杯
XP20高杯
XP21.3高杯
当前位置:
主页
>
产品中心
>
高杯系列
>
XP15高杯
>
LS-XP-3535-15-G高杯
发布时间:2021-03-16
浏览:
返回列表
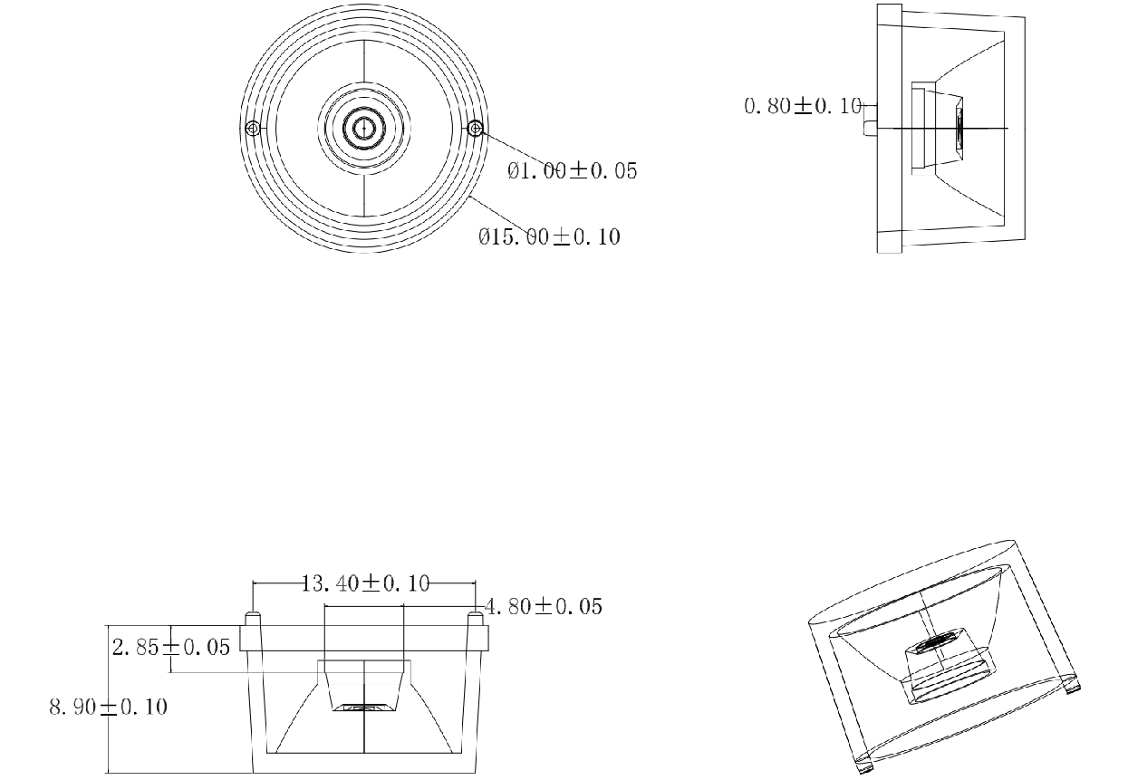
LS-XP-3535-15-G高杯
【简介】:
产品订购咨询热线:
0755-27223391
索取报价
在线订购
产品详情
ltem No.:LS-XP-3535-15-G高杯
Angle:10°25°30°45°60°90°
Surface:光面
Dim.:ø15*H8.9mm
LED Type:3535
返回