深圳市雷尚光电有限公司
13430625558
网站首页
关于我们
产品中心
XP15两边缺
XP29
XML29
3030-20
3030系列
5050系列
5052系列
D17-18.5
D20
D20-21.3
D29H15.8-XPE
XP14.5带柱子
XP15.8
防水盖系列
仿流明透镜系列
高杯系列
各直径带柱子系列
六合一系列
手机透镜系列
四边形系列
直卡灯珠系列
珠面 条纹D17
珠面 条纹D20
新闻资讯
公司新闻
行业动态
荣誉资质
公司展示
常见问题
联系我们
P
PRODUCTS
产品中心
XP14带柱子
XP15带柱子
XP15.8带柱子
XP17带柱子
XP18.5圆形带柱子
XP20带柱子
XP21.3圆形 带柱
XP22 带柱子
XP18.5两边缺
XP21.3两边缺
当前位置:
主页
>
产品中心
>
各直径带柱子系列
>
XP21.3两边缺
>
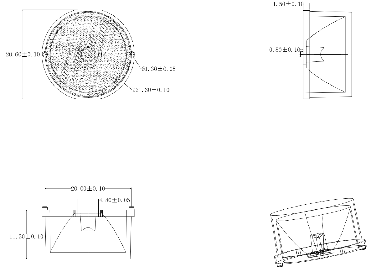
LS-XP21.3-S两边缺
发布时间:2021-03-16
浏览:
返回列表
LS-XP21.3-S两边缺
【简介】:
产品订购咨询热线:
0755-27223391
索取报价
在线订购
产品详情
ltem No.:LS-XP21.3-S两边缺
Angle:10°25°30°45°60°90°
Surface:沙面
Dim.:ø21.3*H11.3mm
LED Type:XPE/XPG/XBD/2835/3030/3535
返回